關於我們
最新消息
產品櫥窗
檔案下載
聯絡我們
高品質、高效率、高熱誠
本公司精修各廠牌滾珠螺桿,擁有專業技術維修人員,
所備庫存之鋼珠尺寸齊全,能為客戶提供最迅速之維修服務
產品櫥窗
TBI線性滑軌
TRS-V
TRH-V
TRH-F
TRS-F
TBI滾珠螺桿
內循環系列
SFNI
SFNU
SFM
OFI
OFU
外循環重負荷系列
SFV
OFV
端蓋式循環高速系列
SFA
SFNH
SFY
微小型系列
SFK
無法蘭系列
BSH
SCI
SCNH
TBI滾珠花鍵
SL系列
SLF
SLT
SO系列
SOF
SOT
TBI旋轉系列
螺帽旋轉式滾珠螺桿
RFSY
RFBY
旋轉式滾珠花鍵
RLSF
RLBF
旋轉式精密滾珠螺桿花鍵
RSSY
RBBY
RSLY
RBLY
TBI單軸機器人
KP
CPC微型滑軌
MR-M SU、MR-M ZU
MR-M EU、MR-M UZ
MR-M SUE、MR-M ZUE
MR-W SU、MR-W ZU
MR-W EU、MR-W UZ
MR-W SUE、MR-W ZUE
軸心
SFC軸心
CR軸心
直線軸承
軸心支撐座
聯軸器
螺桿支撐座(固定座)
BK
FK
EK
AK
螺桿支撐座(支持座)
BF
FF
EF
AF
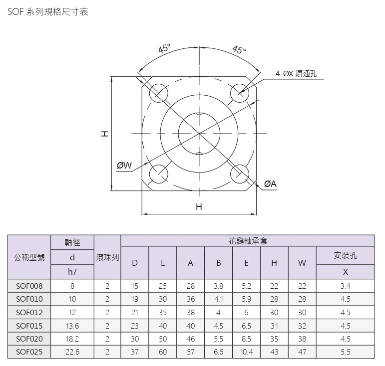
滾珠花鍵 SOF
產品型號:SOF
TBI MOTION採用特殊接觸點之設計,鋼珠有更大的接觸角度除了具有靈敏性、高負載力外其定位精度高,且SOF系列是利用法蘭通過螺栓將外筒固定在支撐座上,安裝簡易。
立即諮詢
PDF 下載
規格表
聯絡資訊
億達精密有限公司
台中市北屯區南興東二街53號之2
TEL : 04-24350750
|
FAX : 04-24350730
|
E-mail :
noxis6666@gmail.com
Copyright © 2021 億達精密有限公司 All Rights Reserved.